ManualKarts
Download John Deere 6230, 6330, 6430, 6530, 6630,7130, 7230 Tractor (TM400719) Diagnostic & Test Service Manual
Download John Deere 6230, 6330, 6430, 6530, 6630,7130, 7230 Tractor (TM400719) Diagnostic & Test Service Manual
Couldn't load pickup availability
John Deere Tractor 6230, 6330, 6430, 6530, 6630,7130, 7230 (USA) Diagnostic & Test Service Manual TM400719
It is Factory Diagnosis and Tests Service Manual for John Deere 2WD or MFWD - North American Tractors 6230, 6330, 6430, 6530, 6630, 7130 & 7230 (Includes electrical wiring diagrams)
This manual contains high quality images, circuit diagrams, diagnostic procedures to help you to diagnostic, troubleshoot and repair your truck. This document is printable, without restrictions, contains searchable text, bookmarks, crosslinks for easy navigation.
Covered models:
6230
6330
6430
6530
6630
7130
7230
Contents:
Foreword
Serial Number Break 2009
General Information
Safety Measures
General References
Diagnostic Trouble Codes
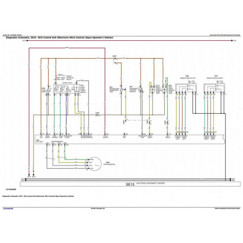
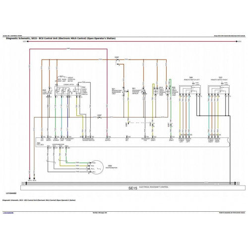
BCU Control Unit
ECU Control Unit
EPC Control Unit
PRC Control Unit
Observable Symptoms
Electronics
Electronic Control Units
SyncroPlus Transmission
PowrReverser Transmission
PowrQuad Transmission
Drive Train (without Transmission)
Steering and Brakes
Hydraulic System
Operator′s Cab
System Diagnostics
Electronics
PowrQuad Transmission
Die Kugeln (N) werden vorgespannt und der Steuerschieber bzw. Bedienungshebel wird in der Rastnut fur Zylinder ausfahren gehalten.Hydraulic System
Engine
General Information
Operational Checks
Tests and Adjustments
Fuel, Air Intake, and Cooling Systems
Tests and Adjustments
Fuel System
Air Intake System
Cooling System
Cold-Weather Starting Aids
Electrical System
Starting Motor and Charging Circuit
Fuel Preheater
Electrical Starting Aid
Instrument unit
Horn
Operator′s Seat and Cigarette Lighter
Lights
Worklights
Radio, Dome Light and Console Light
Air Conditioning and Fan
Windshield wiper and washer
Rear window wiper and washer
Rotary Beacon
3-Terminal Power Outlet Socket (SAE)
3-terminal power outlet socket (ECE)
Connector for Accessories
BCU Control Unit (Electronic Hitch Control)
BCU Control Unit (Basic Functions)
Signal Socket and Service Socket
7-terminal power outlet socket (ECE)
7-Terminal Power Outlet Socket (SAE)
TSC Control Unit (Suspension)
CAN BUS Terminating Resistor
ECU Control Unit Level 16 (Electron. Engine Control) for 2V-HPCR Engine
Back-Up Alarm
EPC Control Unit (Transmission Control with PowrQuad Plus Transmission)
PRC Control Unit (Transm. Control with PowrRever. Transm. and Electr. Rev. Control)
SyncroPlus Transmission
Prewiring for GreenStar
Component Information - Connectors and Contacts
Component Information - Connectors (X001 to X249)
Component Information - Connectors (X250 to X499)
Component Information - Connectors (X500 to X749)
Component Information - Connectors (X750 to X999)
Component Information - Connectors (XGND)
Component Information - Wiring Harnesses
Component Information - Electrical Parts/Components
Component Information - Electrical Parts/Components (Actuators)
Component Information - Electrical Parts/Components (Sensors/Switches/Potentiometers)
Component Information - Electrical Parts/Components (Fuses/Relays/Diodes)
Component Information - Electrical Parts/Components (Headlamps/Lights)
Component Information - Electrical Parts/Components (Other)
Component Information - Ground Connections
Component Information - CAN BUS System
Electronic Control Units
Operation and General Information on Diagnostics
Interactive Tests
Interactive Calibrations
Information on How to Reprogram Control Units
Data BUS Systems
BCU Control Unit
ECU Control Unit
EPC Control Unit
PRC Control Unit
SyncroPlus Transmission
Operational Checks
Tests and Adjustments
Theory of Operation
PowrReverser Transmission
Operational Checks
Tests and Adjustments
Theory of Operation
PowrQuad Transmission
Operational Checks
Tests and Adjustments
Theory of Operation
Drive Train (without Transmission)
Operational Checks
Tests and Adjustments
Front-wheel drive clutch
Differential
Final Drives
Rear PTO Options
Steering and Brakes
Introductory Checks
Operational Checks
Tests and Adjustments
Hydrostatic Steering
Brake valve
Rear Brakes
Hydraulic System
Operational Checks
Tests and Adjustments
Theory of Operation
Oil Filter, Charge Pump and Hydraulic Pump
Hitch
Selective Control Valves (SCVs)
Independent Control Valves (ICVs)
Hydraulic Block
Operator′s Cab
Operational Checks
Tests and Adjustments
Ventilation/Heating
Air Conditioning System
Special Tools
Special Tools (Dealer-Fabricated)
Special Tools (Available as Spare Parts)
Pages - 3315
Format - PDF
Printable – Entire Manual Or Single Page
Zoomable – All Diagrams & Pictures
Exceptional Support 24x7
Share
