ManualKarts
Download John Deere 7630 7730 7830 7930 & 2204 2WD or MFWD Tractor (TM2266) Service Repair Manual
Download John Deere 7630 7730 7830 7930 & 2204 2WD or MFWD Tractor (TM2266) Service Repair Manual
Couldn't load pickup availability
John Deere 7630 7730 7830 7930 & 2204 2WD or MFWD Tractor Service Repair Manual TM2266
It is Factory Service Repair Manual for John Deere 2WD or MFWD Tractors 7630, 7730, 7830, 7930 & 2204
This manual contains high quality images, instructions to help you to troubleshoot, and repair your truck. This document is printable, without restrictions, contains searchable text, bookmarks, crosslinks for easy navigation.
This is repair only manual, Diagnostic Manual with electrical wiring diagrams are sold separate.
Covered models:
7630
7730
7830
7930
2204
Contents:
Foreword
Dealer Predelivery Information Form
General Information
Safety
General Information
Engine
Component Removal and Installation
Engine Repair
Fuel / Air Intake and Cooling Systems
Controls
Diesel Fuel System
Air Intake System
Engine Cooling System
Hydraulic Oil Cooler and Air Conditioning Condenser/Fuel Cooler
Exhaust System
Electrical
Connectors
Wiring Harness Routings
Charging Circuit
Starting Circuit
Relays, Fuses, Solenoids, and Switches
Monitoring System
Armrest Control
Implement and Accessory Connectors
Convenience and Accessory Components
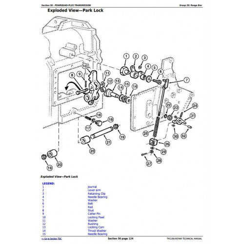
PowrQuad-Plus Transmission
Component Removal and Installation
Transmission Shifting Mechanisms
PowrQuad-Plus Module
Range Box
AutoPowr/IVT Transmission
Component Removal
Controls
Front Pump/Control Valve Assembly
Transmission Front Housing
Hydrostatic Module
Shift Valve Assembly
Transmission Rear Housing
Differential Input Assembly
MFWD Drive Systems
Component Removal And Installation
Controls
MFWD Clutch
MFWD Axle
Suspended MFWD Axle Components
Drive Systems
Component Removal And Installation
Rear Differential
Final Drive
Rear PTO
Front PTO Repairs
Primary Brakes
Steering and Brakes
Steering Column
Hydrostatic Steering
Service Brakes
Trailer Brakes
Hydraulics
Component Removal and Installation
Hydraulic System Repair
Hydraulic Pump And Charge Pump
Hydraulic System Valves
Selective Control Valves and Couplers
Rear 3-Point Hitch
Front 3-Point Hitch
Bleed Hydraulic System
Miscellaneous
Hood
Front Axle (Two-Wheel Drive)
Steering Cylinders (Two-Wheel Drive)
Rear Wheels
Wagon And Pick-Up Hitch
Operator Station
Component Removal and Installation
Heating, Ventilating, and Air Conditioning (HVAC)
Air Conditioning System
Air Suspension Seat
ACTIVE SEAT™
Armrest
Cab Door and Windshield
Dealer Tools
Dealer Fabricated Tools
Essential And Recommended Tools
Pages - 1480
Format - PDF
Printable – Entire Manual Or Single Page
Zoomable – All Diagrams & Pictures
Exceptional Support 24x7
Share
